126 WRC造 / 消防団施設

■完成写真

写真提供:(有)尚雲堂

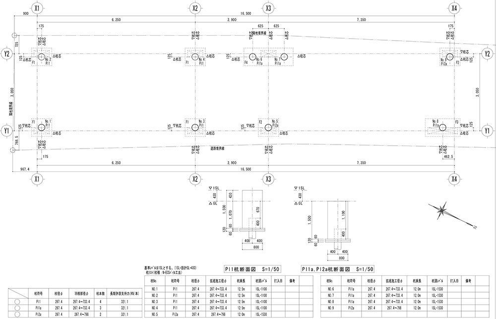
■杭伏図

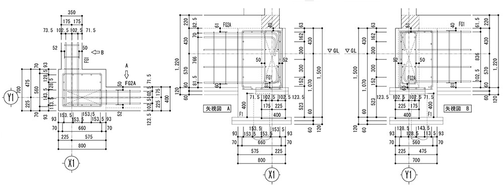
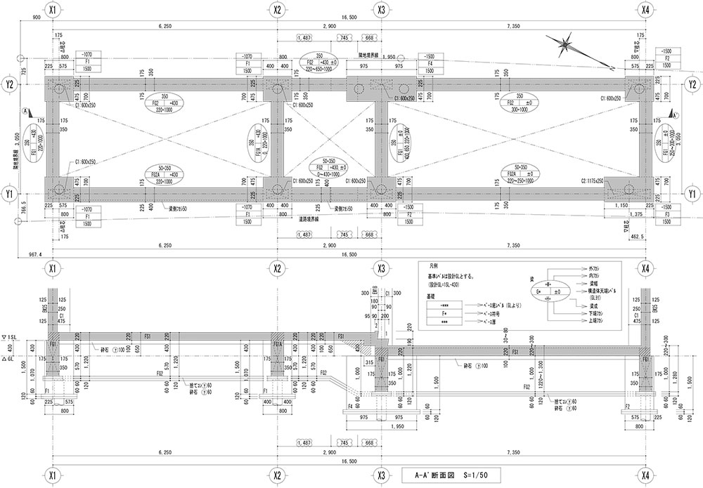
■基礎伏図、基礎断面図

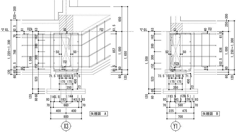
■配筋詳細図

 

■開口部詳細図 

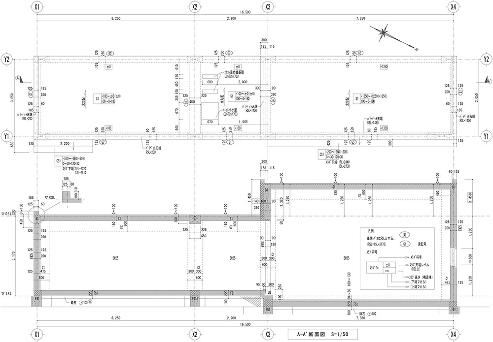
■屋上伏図、断面図 

前の記事

125 感謝祭に参加

次の記事

謹賀新年2026